SD7501T5

电流

直流电流 :3-30mA

直流电流 :3-30mA

电压

/

/

Counts

39999

39999

精度

0.05%

0.05%

报警

2

2
芯片描述

         SD7501T5为4~20mA无源表芯片,内含高精度低噪声模/数转换器(SDADC),最高可使测量达到49999计数的稳定读数,3~25mA量程综合精度可达0.01% F.S(偏差<2个字)。对环路阻抗影响小,压降低,独特的校准算法与温度补偿算法,满足多种应用场景的需求。

芯片特点
  • 显示范围:-19999~49999

  • 转换速率:3次/秒

  • 工作电压:2.4~3.6V

  • 产品压降:≤3.3V

  • 环路阻抗:≤5R

  • 工作电流:<2mA

  • 测量精度:0.01% F.S±1个字

  • 功能按键:O、M

  • 显示方式:LCD/LED,带8个不同的物理单位

  • 参考电压:1.2V,50ppm/℃

  • 校准方式:程控两点校准

  • 报警输出:2路隔离式开关量报警输出

  • 通信方式:支持UART通信输出

  • 存储方式:EEPROM

  • 温度检测:具有内部温度传感器,可对测量结果进行温度补偿

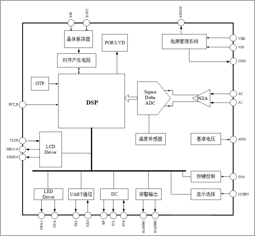
芯片框图
应用领域

产品搜索

样片申请
及购买




请填写真实有效的邮箱地址!