SD3101F1

电流

交直流:20μA-20A

交直流:20μA-20A

电压

交直流:200mV-1000V

交直流:200mV-1000V

Counts

29999

29999

精度

0.5%

0.5%

报警

/

/
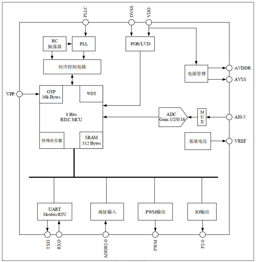
芯片描述

        SD3101F1是内含高精度低噪声模/数转换器(SDADC),内置真有效值计算器,可直接测量交流信号,需外接任何整流组件,带宽40~400Hz。数据输出速率可调,输出速率为10SPS时,对50Hz和60Hz干扰同时产生抑制。3个地址设置端,可满足多片同时应用的需求。内置增益放大器,进行大电流测量时可借助放大器,减小外部电流取样电阻的温漂问题。支持数字校准,内置自检和校正算法,可直接读取校准后的换算值,校准值保存在内部存储中,无需外部EEPROM,默认保存100mV经验值。

        抗干扰能力强,具有停振检测功能。在无须额外的保护电路下EFT超过4kV,适合各种工业环境的应用。

芯片特点
  • 24位数据输出,输入增益可选1、2、8、16,可测量信号的瞬时值、真有效值和频率

  • 灵活的数据输出速率:60SPS至8KSPS

  • 性能规格:16.4位无噪声分辨率(8KSPS,Gain = 1) 18.2位无噪声分辨率(1KSPS,Gain = 1) 20.2位无噪声分辨率(30SPS,Gain = 1)

  • 用户可配置输入通道:三组差分或五组单端

  • 信号范围:-200~200mV(RMS)

  • 工作电流:1.2mA

  • 交流整流:内设,无需外部组件,真有效值处理器,带宽达2kHz,误差小于0.5%

  • 参考电压:1.16V,35ppm/℃

  • 1路LDO输出

  • 1路PWM输出

  • 3个数字IO输出

  • 3个芯片地址设置端

  • 串口通信方式,支持Modbus-RTU协议

  • 干扰抑制:50Hz和60Hz同时抑制能力

  • 校准方式:支持校准,可直接读取换算值

  • 温度范围:-40~+85℃

芯片框图
应用领域

产品搜索

样片申请
及购买




请填写真实有效的邮箱地址!